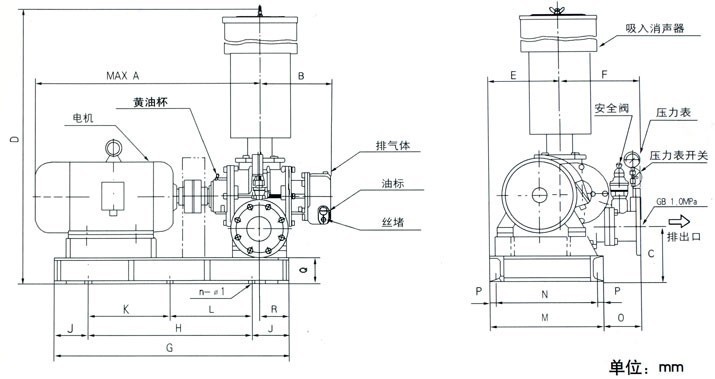
羅茨鼓風機安裝圖及齒輪安裝間隙調整
污水處理離不開羅茨鼓風機,水廠養殖離不開羅茨鼓風機。近年來,羅茨鼓風機在市場上逐漸流行,并被應用到很多行業中。那么羅茨鼓風機究竟有什么神奇的作用能被這么多的行業廣泛應用呢?下面讓我們一起了解一下羅茨鼓風機的性能和特點吧。
性能一,羅茨鼓風機內部藏有*,還配有消音房,風機振動的聲音特別小,幾乎是無聲的,有效減輕了噪音的污染,同時也給企業生產帶來便意。
性能二,羅茨鼓風機的葉輪和軸為整體結構且葉輪無磨損,使風機的工作性能保持穩定,工作性能持久不變,可以長期的進行良好的運轉,使用壽命更長。
性能三、羅茨鼓風機配有高品質電機,耐溫等級達到180度,馬達硅鋼片采用高等級冷軋鋼,性能穩定,動力更為強勁。
性能四、羅茨鼓風機安裝簡便,安裝方式靈活多變。風機容積利用率大,容積效率非常高,而且風機的結構也非常緊湊。所以安裝起來方便快捷,同時為企業節省了大量的人力物力和財力。工作效率也不斷提高。
性能五、羅茨鼓風機清洗簡單,易于維護。羅茨鼓風機只要定期清理油箱,建議運行8小時后更換全部潤滑油。應該是每年要給風機大修一次,來個全身檢查。以保證風羅茨鼓風機的良好運行。
羅茨鼓風機安裝圖及齒輪安裝間隙調整的特點
⒈ 鼓風機的機殼進排氣口遮壁線,形成螺旋式結構與葉輪頂部的直線所構成的三角形進排氣口,隨著葉輪的旋轉而循序開閉,運行噪聲極低并且沒有排氣脈動的現象。
⒉ 羅茨鼓風機葉輪為三葉直線型,葉輪之間只要確保側面間隙即可,與同樣尺寸的傳統二葉型羅茨鼓風機相比具有效率高的特點。
⒊ 轉子采取特殊外形,便于保持轉子間的相互間隙,密封性能大大改善,使效率進一步提高。
⒋ 使用數控機床生產并對精度管理采取了完善的措施,對轉子實施嚴格的校驗,保證了本機運轉十分平穩。
⒌ 該齒輪采用特殊鋼經適當淬火處理,嚴格按照高精度齒輪研削制造。因而將來自齒輪對產品的不良干擾完全排除。
6.由于采用了三葉轉子結構形式及合理的殼體內進出風口處的結構,所以風機振動小,噪聲低。葉輪和軸為整體結構且葉輪無磨損,風機性能持久不變,可以長期連續運轉。風機容積利用率大,容積效率高,且結構緊湊,安裝方式靈活多變。機種齊全,可滿足不同用戶不同用途的需要。
羅茨鼓風機系屬容積回轉鼓風機。這種壓縮機靠轉子軸端的同步齒輪使兩轉子保持嚙合。轉子上每一凹入的曲面部分與氣缸內壁組成工作容積,在轉子回轉過程中從吸氣口帶走氣體,當移到排氣口附近與排氣口相連通的瞬時,因有較高壓力的氣體回流,這時工作容積中的壓力突然升高,然后將氣體輸送到排氣通道。兩轉子互不接觸,它們之間靠嚴密控制的間隙實現密封,故排出的氣體不受潤滑油污染。
羅茨鼓風機安裝圖及齒輪安裝間隙調整主要介質:
羅茨鼓風機輸送介質為清潔空氣,清潔煤氣,二氧化硫及其他惰性氣體,特殊氣體行業(煤氣、天然氣、沼氣、二氧化碳、二氧化硫等)及高壓工況的產品。鑒于具有上述特點,因而能廣泛適應冶金、化工、化肥、石化、儀器、建材行業。
羅茨鼓風機安裝圖及齒輪安裝間隙調整結構:
按轉子的形狀,羅茨鼓風機分為兩葉型和三葉型。三葉型轉子每轉動一次由 兩 個轉子進行三 次吸、排氣。與二葉型相比,氣體脈動性小,振動也小,噪聲低.

羅茨鼓風機安裝圖及齒輪安裝間隙調整運行調節:
根據流體力學理論,氣體的流動過程將伴隨著損失。例如,氣體流過節流裝置后,氣流的壓力會相應減少,也就是它們損失了風機的有用功。由于這一切都是在風機輸送氣體的過程中發生的,也就是浪費了風機的能量。
風機工況點是風機在某一轉速下的性能曲線與管網阻力特性線的交點。風機實際運行時,并非永遠停留在設計工況點上。它將隨用戶的需求或外界條件的變化而變化,也就是風機實際上處于變工況下工作。要想使風機的風壓或風量達到某一目標值,就需要對風機或管網進行為人為地控制,亦稱調節。通過有效地調節,實現在保證風機能夠穩定工作的條件下,既要滿足生產對流量或壓力的要求,又能較大限度地節能。簡言之,調節的目的就是滿足性能要求,擴大(穩定)工況,實現節能,防止喘振。
風機采用不同的調節方式都可達到同一目的,但節能效果各不相同。
根據理論分析及實踐證明,可得出如下4個方面的結論。
⑴對于鼓風機和壓縮機,出口節流調節方式耗功較多。盡管相對流量Qr(實際流量Q與設計流量Q0之比)減少時,功率亦相應減少。如當Q=0.65 Q0時,所對應的功率減少到原來的80%左右,但與其它調節方式相比,耗能仍居首位。
⑵如果相對流量變化不大時(或稱調節深度小時),幾種調節方式耗功差別不大。即調節方式對節能效果影響不大,甚至不僅不節能,反而因調節裝置的存在多耗功(如液力耦合器)。
⑶一般來說,調節深度越大,節能效果越顯著。因此,要慎重選擇調節方式,以期獲得較大效益。
⑷變速調節曲線接近理想曲線。所以,變速調節方式優越,特別是采用變頻電動機調速的節能方案為較好,但需要增設變頻裝置。對于中小容量的變頻調速建議積極試用;由于大容量高電壓變頻調速裝置價格較高,應結合具體情況,綜合比較,決定取舍??傊?,既要考慮調節性能,也要考慮設備初投資、可靠性及經濟性等,綜合評價調節方式的優劣。
羅茨鼓風機安裝圖及齒輪安裝間隙調整維護保養要求:
簡介
羅茨鼓風機的使用要求是,輸送的進氣介質溫度不得高于40℃,介質中的微粒雜質含量不得大于1000mg/m3,微粒的較大尺寸應在0,1mm以下。使用升壓時,不得超過鼓風機銘牌上所規定的額定升壓值,由于羅茨鼓風機結構特殊,因此在運轉要求上同其它的風機有許多不同之處,須注意。
啟動
羅茨鼓風機在啟動開機前應作好以下各項準備工作;
⑴完全打開進氣調節閥,出氣調節閥以及旁通管;
⑵檢查進風口空氣濾清器是否暢通,濾清器進口是否完全打開;
⑶檢查管道、閥門、消聲器、空氣濾清器支撐是否穩固,不得有負荷力加在機殼上;
⑷檢查潤滑油是否良好,型號是否合適,潤滑油層深度應達到規定油線以上3~5厘米,冷卻水系統是否暢通;
⑸撥動聯軸器、檢查葉輪轉運是否靈適,有無摩擦碰撞;
⑹檢查各部位聯接是否良好,有無松動;
⑺清除周圍雜物,保持風機兩米范圍內無雜物;
⑻檢查電氣部分以及降壓啟動設備是否完好;
⑼檢查檢修工具是否齊備,消防滅火器材是否充足完備。
在以上九項工作做完后,即可開機。羅茨鼓風機開機應首先空車運轉20~30分鐘,觀察鼓風機有無不正常的現象,如發現有撞擊或摩擦聲,應立即停車檢查,并排除故障。待空機運轉正常后,即可進行負載開機。待風機正常運轉后,逐漸調節出口閥門(或逐漸關閉放空閥),逐漸加載到額定壓強,但不得超載運行。在開機時禁止將進、出風口閘閥全部關閉,也不能在滿載時突然停車。
運轉
當羅茨鼓風機正常運轉后,操作工應密切注視所有部件運行狀況,隨時觀察機器各部件的溫度,機器的振動,以及消聲器的噪音,如有異常應立即停機。
停機
羅茨鼓風機的正常停機是首先打開旁通管,進行“放風”,待風壓降下來后(基本為零),才能切斷電源,然后關閉進氣閥、冷卻水系統。非正常停機也應首先考慮打開旁通管,進行“放風”
維護
正常運轉中,每隔1~2小時檢查一下軸承、油箱內潤滑油、電機等的溫度,不得高于規定值。羅茨鼓風機在運轉過程中噪聲很大,為了降低噪聲, 除了安裝消聲器外有時也可以采用一些簡便方法以減少噪聲,比如用地穴法。在地下挖一個4~5m3;的地穴,地穴上蓋封好,用一根導管將進風口引入地穴,用另一導管將外界空 氣引入地穴。兩根導管盡量踩入地穴底,這樣可以減少很多噪音。
羅茨鼓風機的調節方法有兩種,一種是放風的方法,這個方法簡單可靠,但不經濟。比較經濟的方法是調節轉速。部分立窯水泥廠為了提高羅茨風機的風壓、風量,就是把鼓風機的轉速加快。但是應該注意的是,增加轉速要考慮機械設備的機械強度,不能增加很大,一般轉速不應超過銘牌的15%。轉速增大往往還要更換較大的電機。
羅茨鼓風機的潤滑油3~6個月更換一次或用孔徑小于50微米的銅絲網過濾一次。起動后工作時間較多為200個小時,就應換油。消聲器也宜半年左右檢修一次,更換部分或全部吸音材料??諝鉃V清器應經常檢修,進出口閥門,旁通管應保持正常良好狀態。有問題立即修理。
羅茨鼓風機安裝圖及齒輪安裝間隙調整故障處理
問題一關于風量不足處理
⑴轉子縫隙大 處理方法用工具調整間隙;
⑵密封漏氣 處理方法更換密封裝置;
⑶過濾器網眼堵塞 處理方法是更換或者清洗過濾器;
其次電機過載的問題解決:
⑴潤滑油不行,這里建議調換潤滑油;
⑵油環不轉或者轉動過慢,這里建議進行修理或者更換;
⑶風機軸電機對中不良,這里建議重新對中;
再次密封磨損問題處理:
⑴密封環與軸套同軸度誤差大,解決方法更換磨損的零部件;
⑵軸彎曲或雜物進入密封環,解決方法清除雜物并且進行軸校正;
⑶轉子振動太大或者軸承間隙過大,解決方法就是更換軸承清除變形影響;
羅茨鼓風機操作注意事項:
⒈輸送介質的進汽溫度通常不得大于 40℃。
⒉介質中微粒的含量不得超過 100mg/m3,微粒較大尺寸不得超過較小工作間隙的一半。
⒊運轉中軸承溫度不得高于 95℃,潤滑油溫度不高于 65℃。
⒋使用壓力不得高于銘牌上規定的升壓范圍。
⒌羅茨鼓風機葉輪與機殼、葉輪與側板、葉輪與葉輪間隙出廠時已調好,重新裝配時要保證該間隙。
⒍羅茨鼓風機運行時,主油箱、副油箱油位須在油位計兩條紅線之間。
相關新聞
- 2023-03-15羅茨風機管道安裝圖以及止回閥安裝注意事項
- 2023-03-13羅茨風機安裝圖與拆解(卸)圖詳解
- 2022-12-30羅茨風機間隙調整圖
- 2022-12-27羅茨風機安裝圖
- 2022-12-21耐高溫羅茨風機安裝圖







